Przejdź do treściPrzejdź do wyszukiwarkiPrzejdź do kategoriiPrzejdź do dolnej nawigacjiPrzejdź do stopki
+48695060436 sklep@fazowy.pl
PL/PLN
Ulubione

Koszyk

Brak produktów w koszyku.

Cena produktów:
0,00 zł
Łączna kwota: z VAT
0,00 zł

ZK8/23 Zacisk

Marka:
BAKS
Kategoria:
Zaciski
EAN:
5900993151909
SKU:
752209/BAX

Trwa wczytywanie danych...

8,60 złbrutto / szt.
Dostępność w magazynie 73 sztuki.

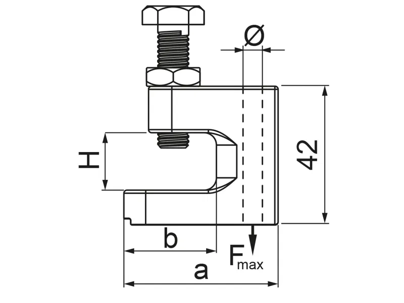
Zacisk ZK8/23 BAKS

Mocny, stalowy uchwyt montażowy przeznaczony do solidnego mocowania prętów, rur lub elementów konstrukcyjnych do profili stalowych — belek, dwuteowników lub kątowników. Dzięki stalowej, galwanicznie ocynkowanej konstrukcji zapewnia stabilne, odporne na korozję i trwałe mocowanie, co czyni go idealnym do zastosowań w instalacjach kablowych, wspornikach konstrukcyjnych i lekkich konstrukcjach stalowych.

Dane techniczne

  • Typ: ZK8/23
  • Producent: BAKS
  • Materiał: stal odkuwana, ocynkowana galwanicznie
  • Średnica mocowanego elementu: 9 mm
  • Maksymalna grubość mocowanego profilu/kołnierza: do 23 mm
  • Maksymalne dopuszczalne obciążenie: 1,20 kN
  • Zastosowanie: mocowanie prętów, rur, konstrukcji stalowych i elementów montażowych do belek, profili stalowych, dwuteowników i kątowników
  • Konstrukcja: zacisk śrubowy — łatwy montaż i demontaż

FAQ

Do czego służy zacisk ZK8/23?
Do mocowania prętów, rur lub innych elementów stalowych do belek, dwuteowników, kątowników lub profili stalowych, zapewniając stabilne i pewne połączenie.

Jakie obciążenie może przenieść?
Zacisk ZK8/23 wytrzymuje do 1,20 kN, co pozwala na bezpieczne mocowanie konstrukcji i instalacji.

Na jakich profilach można go stosować?
Nadaje się do profili stalowych o grubości kołnierza do 23 mm.

Czy element jest odporny na korozję?
Tak — stal odkuwana z ocynkowaną powłoką zapewnia odporność na korozję i długą żywotność.

Rodzaj
ZK

  • Posiada oznaczenie CE (zgodność z normami UE). Produkt posiada w opakowaniu instrukcję bezpieczeństwa i użytkowania produktu.

Producent:

BAKS Kazimierz Sielski

Jagodne 5, 05-480 Karczew, PL

baks@baks.com.pl

+48227108100

    Możesz skorzystać z naszej aplikacji, aby szybciej i łatwiej korzystać z naszego sklepu, oraz otrzymywać powiadomienia bezpośrednio na swoim urządzeniu.