Przejdź do treściPrzejdź do wyszukiwarkiPrzejdź do kategoriiPrzejdź do dolnej nawigacjiPrzejdź do stopki
+48695060436 sklep@fazowy.pl
PL/PLN
Ulubione

Koszyk

Brak produktów w koszyku.

Cena produktów:
0,00 zł
Łączna kwota: z VAT
0,00 zł

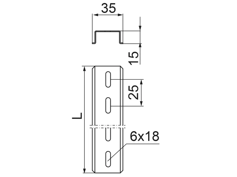
SZP35H15/2 Szyna EURO

Marka:
BAKS
Kategoria:
Ceowniki, szyny
EAN:
5900993080285
SKU:
613220/BAX

Trwa wczytywanie danych...

17,31 złbrutto / szt.
Dostępność w magazynie 11 sztuk.

Szyna EURO SZP35H15/2, blacha 1,0mm 613220 BAKS

Szyna EURO SZP35H152 to uniwersalny element montażowy stosowany w rozdzielnicach, szafach sterowniczych oraz instalacjach przemysłowych. Umożliwia szybki i uporządkowany montaż aparatury, osprzętu elektrycznego i akcesoriów. Wykonana ze stali ocynkowanej szyna zapewnia wysoką trwałość, odporność na korozję oraz stabilność całej konstrukcji montażowej.

Dane techniczne

  • Producent: BAKS
  • Model: SZP35H152
  • Kod katalogowy: 613220
  • Typ: szyna montażowa EURO (DIN)
  • Standard: 35 × 15 mm
  • Długość:  2 m
  • Grubość blachy: 1,0 mm
  • Materiał: stal ocynkowana
  • Konstrukcja: perforowana (ułatwia montaż osprzętu)
  • Zastosowanie: rozdzielnice, szafy automatyki, panele montażowe

FAQ

Do czego służy szyna EURO?
Do montażu aparatury elektrycznej i automatyki w rozdzielnicach oraz szafach sterowniczych.

Czy szyna jest odporna na korozję?
Tak — wykonano ją ze stali ocynkowanej, co zapewnia trwałość i ochronę przed korozją.

Jak długość 2 m wpływa na instalację?
Długość 2000 mm pozwala na montaż wielu elementów jednocześnie oraz łatwe dopasowanie szyny do wymiarów rozdzielni.

Czy szynę można skracać?
Tak — w razie potrzeby można ją dociąć do wymaganej długości.

Czy nadaje się do zastosowań przemysłowych?
Tak, szyna jest trwała, stabilna i zaprojektowana z myślą o profesjonalnych instalacjach.

Rodzaj
SZP
Długość
2000 mm
Grubość blachy
1 mm
Szerokość
35 mm

  • Posiada oznaczenie CE (zgodność z normami UE). Produkt posiada w opakowaniu instrukcję bezpieczeństwa i użytkowania produktu.

Producent:

BAKS Kazimierz Sielski

Jagodne 5, 05-480 Karczew, PL

baks@baks.com.pl

+48227108100

    Możesz skorzystać z naszej aplikacji, aby szybciej i łatwiej korzystać z naszego sklepu, oraz otrzymywać powiadomienia bezpośrednio na swoim urządzeniu.